Wind energy
Introduction to Wind Energy
Wind power generation is the process of converting wind energy into mechanical energy, and then converting mechanical energy into electrical energy. This process does not require fuel or emit radiation, nor does it generate air pollution, which makes it a clean energy resource.
Marching Power can provide a complete system solution from wind power converters to wind power converters. The 1700V 50A~900A series modules provide the best solution for products in different power bands.
Application System Diagram

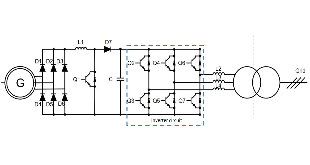
Application Topology Diagram




